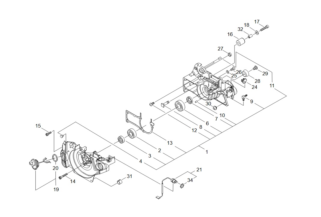
1
1
2
13
| Nr | Część | Cena | Ilość | |
|---|---|---|---|---|
| 2 | Uszczelka cylindra Shindaiwa 390SX | 14,50 zł | ||
| 13 | Uszczelka tłumika V104-001581 | 19,50 zł | ||
| - | Cylinder Shindaiwa 390SX | 461,00 zł |
2
13
8
7
3
6
2
| Nr | Część | Cena | Ilość | |
|---|---|---|---|---|
| 2 | Łożysko V592-000310 | 20,80 zł | ||
| 3 | Uszczelniacz wału korbowego V505-000070 / 37013-21120 | 19,20 zł | ||
| 6 | Łożysko wału korbowego Shindaiwa 390SX | 20,80 zł | ||
| 7 | Uszczelniacz wału korbowego Shindaiwa 390SX/501SX Echo CS-501SX | 19,20 zł | ||
| 8 | Szpilka prowadnicy V225-000150 | 17,60 zł | ||
| 13 | Uszczelka skrzyni korbowej Shindaiwa 390SX | Niedostępny |
3
28
30
29
26
19
| Nr | Część | Cena | Ilość | |
|---|---|---|---|---|
| 19 | Filtr paliwa A369-000460 | 28,80 zł | ||
| 26 | Amortyzator pałąka Shindaiwa 390SX | 16,00 zł | ||
| 28 | Amortyzator Shindaiwa 390SX | 30,50 zł | ||
| 29 | Zatyczka amortyzatora V421-000070 | 19,20 zł | ||
| 30 | Śruba amortyzatora 22160-33770 / V203-001480 | 17,60 zł |
4
1
2
3
4
5
| Nr | Część | Cena | Ilość | |
|---|---|---|---|---|
| 1 | Tłok Shindaiwa 390SX | 120,00 zł | ||
| 2 | Pierścień tłoka Shindaiwa 390SX (1szt) | 35,20 zł | ||
| 3 | Sworzeń tłoka Shindaiwa 390SX | 22,40 zł | ||
| 4 | Zabezpieczenie sworznia tłoka V580-000010 | 3,20 zł | ||
| 5 | Łożysko sworznia tłoka V555-000140 | 43,20 zł |
5
17
18
10
44
23
59
58
14
13
11
12
60
22
21
20
15
| Nr | Część | Cena | Ilość | |
|---|---|---|---|---|
| 10 | Łożysko bębna sprzęgła V555-000150 | 35,00 zł | ||
| 11 | Śruba napinacza V253-000610 | 16,00 zł | ||
| 12 | Kołek napinacza C309-000110 | 12,80 zł | ||
| 13 | Prowadnik napinacza V152-002430 | 9,60 zł | ||
| 14 | Pokrętło napinacza V651-000790 | 22,40 zł | ||
| 15 | Pokrywa pod prowadnicę P021-037221 | 43,20 zł | ||
| 17 | Ostroga Shindaiwa 501SX / Echo CS-501SX | 52,80 zł | ||
| 18 | Śruba 900105-05012 | 9,60 zł | ||
| 20 | Pokrywa pod prowadnicę C305-000470 | 27,20 zł | ||
| 21 | Wkręt 900253-04008 | 8,00 zł | ||
| 22 | Ochraniacz / Chlapacz pokrywy sprzęgła C302-000030 | 16,00 zł | ||
| 23 | Nakrętka prowadnicy bez kołnierza (wcięcia) V265-000200 | 11,50 zł | ||
| 44 | Pompa oleju C022-000121 | 196,00 zł | ||
| 58 | Podkładka bębna sprzęgła V307-000451 | 20,80 zł | ||
| 59 | Nakrętka wału V265-000211 | 16,00 zł | ||
| 60 | Napinacz łańcucha Shindaiwa 390SX / 446s / 452s - KOMPLETNY | 58,00 zł |
7
8
Część z rozkładówki
×
